蘇州:0512-67575087
武漢:13312925069
廈門:17750606909
成(chéng)都(dōu):19867715546
天津:022-83718115
全國(guó)手機: 外街; 18129680163
郵箱:coolens@coolen通通s.cn
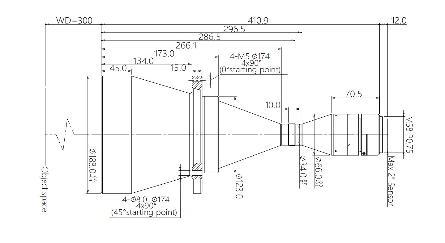
結構圖