WWH10-63ATV3
高分辨率鏡頭
下載
download
申請報價
産品參數
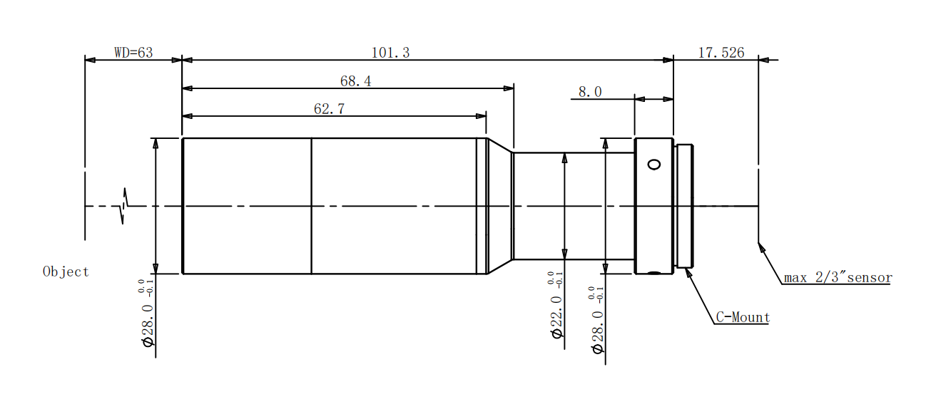
産品圖紙
相關應用
産品參數
data
基本參數
放大倍率 β(x)
1
物方工作距 WD(mm)
63±1
支持 CCD 尺寸 (Φmm)
11(2/3")
像方 F/#
7
物方遠心度 (° max)
0.1
像方畸變 (%)
0.07
數值孔徑 NA
0.0625
物方分辨率 (um)
5.4
物方景深DoF (mm)
0.6
相機接口
C
鏡頭總長(cháng) (mm)
101.3
是否同軸光
是否可調光欄
視野範圍(mm × mm)
1/2"(6.4x4.8)
6.4x4.8
1/1.8"(7.13x5.37)
7.13x5.37
2/3"(8.45×7.1)
8.45x7.1
産品圖紙
drawing

結構圖

相關應用
application