DTCM35FH-100H-M58-AL
最高支持35mm Full靶面(miàn)相報線機
申請報價
産品參數
産品圖紙
相關應用
産品參數
data
基本參數
支持CCD尺寸(Φmm)
43.6(35mm Full)知務
物方視場FOV(Φmm)
100
放大倍率β(x)
0.436
物方工作距WD(mm)
238±4
像方F/#
10.3
物方景深DOF(mm)
±4.2@F20
像方畸變(% max)
<0.1
物方遠心度(° max)
<0.1
物像距I/O(mm)
634±4
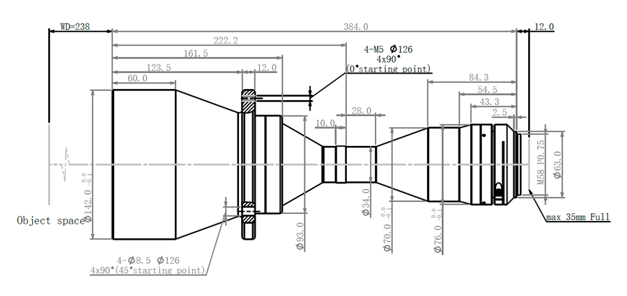
鏡頭總長(cháng)(mm)
384
鏡頭接口
M58
淨重(KG)
3.8
像方MTF30(lp/mm)
>91
視野範圍(mmxmm)
CMV50000 (36.43腦報x27.62)
83.6x63.3
KAI29050/2 (36.17x飛女24.11)
83.0x55.3
KAI43142 (36.18x24.12)
83.0x55.3
産品圖紙
drawing

結構圖


相關應用
application