DTCM35FH-90-M58-AL
最高支持35mm Full靶面(m兒熱iàn)相機
申請報價
産品參數
産品圖紙
相關應用
産品參數
data
基本參數
支持CCD尺寸(Φmm)
43.6(35mm Full)
物方視場FOV(Φmm)
90
放大倍率β(x)
0.484
物方工作距WD(mm)
208±3
像方F/#
11.4
物方景深DOF(mm)
±3.4@F20
像方畸變(% max)
<0.1
物方遠心度(° max)
<0.1
物像距I/O(mm)
561±3
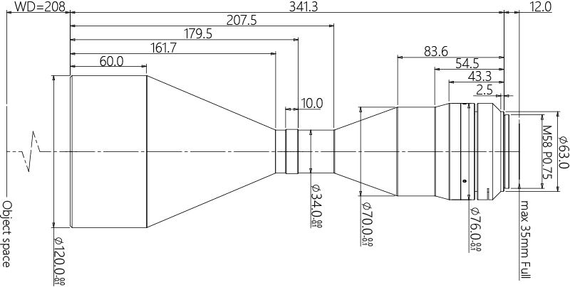
鏡頭總長(cháng)(mm)
341.3
鏡頭接口
M58
淨重(KG)
2.4
像方MTF30(lp/mm)
>75
視野範圍(mmxmm)
CMV50000 (36.43x27.62)
75.3x57.1
KAI29050/2 (36.17x24.11)土亮
74.7x49.8
KAI43142 (36.18x24.12)
74.8x49.8
産品圖紙
drawing

結構圖



相關應用
application