WWK15-110-111
工作距110mm
申請報價
産品參數
産品圖紙
相關應用
産品參數
data
基本參數
支持CCD尺寸(Φmm)
18.0(1.1")
放大倍率β(x)
1.5
物方工作距WD(mm)
110±2
像方F/#
10
像方MTF30(lp/mm)
>78
物方景深DOF(mm)
±0.18@F10
像方畸變(% max)
<0.1
物方遠心度(° max)
<0.1
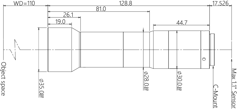
鏡頭總長(cháng)(mm)
128.8
鏡頭接口
C
是否同軸光
視野範圍(mm x mm)
1“ IMX183 (13.13x8.76)
8.8x5.8
1.1" IMX253 (14.19x10.38)
9.5x6.9
産品圖紙
drawing

結構圖




相關應用
application