DTCM125-48
最高支持1/2.5‘’靶面(miàn)相機
申請報價
産品參數
産品圖紙
相關應用
産品參數
data
基本參數
支持CCD尺寸(Φmm)
7.2(1/2.5")
物方視場FOV(Φmm)
48
放大倍率β(x)
0.15
物方工作距WD(mm)
128±3
像方F/#
4.2
物方景深DOF(mm)
±19.5@F11
像方畸變(% max)
<0.1
物方遠心度(° max)
<0.1
物像距I/O(mm)
268±3
鏡頭總長(cháng)(mm)
122.4
鏡頭接口
C
淨重(KG)
0.4
像方MTF30(lp/mm)
>190
視野範圍 (mmxmm)
1/3" AR130/RJ33(4線林.8x3.6)
32.0x24.0
1/2.5" 9P00店暗1/31 (5.7x4.28)
38.0x28.5
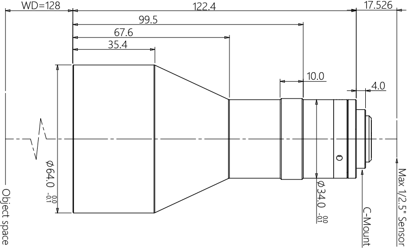
産品圖紙
drawing

結構圖




相關應用
application