DTCM110-90-AL
最高支持1‘’靶面(miàn)相機
申請報價
産品參數
産品圖紙
相關應用
産品參數
data
基本參數
支持CCD尺寸(Φmm)
16.6(1")
物方視場FOV(Φmm)
90
放大倍率β(x)
0.184
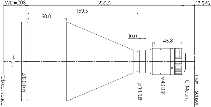
物方工作距WD(mm)
208±3
像方F/#
6.5
物方景深DOF(mm)
±18.9@F16
像方畸變(% max)
<0.1
物方遠心度(° max)
<0.1
物像距I/O(mm)
461±3
鏡頭總長(cháng)(mm)
235.5
鏡頭接口
C
淨重(KG)
1.8
像方MTF30(lp/mm)
>135
視野範圍 (mmxmm)
1" PYTHON5000 (12.坐不43x9.83)
67.6x53.4
1" IMX255 (14.19x7.51)
77.1x40.8
1" IMX183 (13.13x8.76)
71.4x47.6
産品圖紙
drawing

結構圖




MTF曲線



相關應用
application