DTCM111-56-AL
最高支持1.1‘’靶面(miàn)相機
申請報價
産品參數
産品圖紙
相關應用
産品參數
data
基本參數
支持CCD尺寸(Φmm)
18.4(1.1")
物方視場FOV(Φmm)
56
放大倍率β(x)
0.329
物方工作距WD(mm)
138±3
像方F/#
6.2
物方景深DOF(mm)
±4.0@F11
像方畸變(% max)
<0.1
物方遠心度(° max)
<0.1
物像距I/O(mm)
345±3
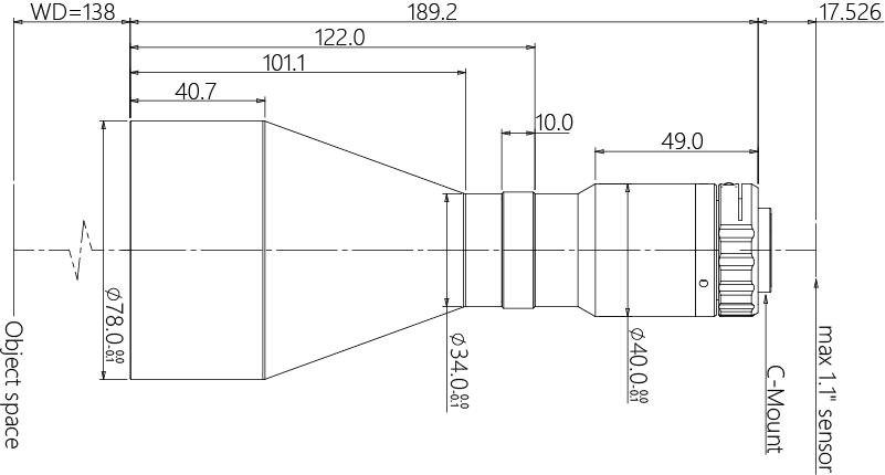
鏡頭總長(cháng)(mm)
189.2
鏡頭接口
C
淨重(KG)
0.8
像方MTF30(lp/mm)
>145
視野範圍 (mmxmm)
1" IMX183 (13.13也們x8.76)
39.9x26.6
1.1" IMX253 (14.19快船x10.38)
43.1x31.6
産品圖紙
drawing

結構圖




MTF曲線



相關應用
application