DTCM175-100H-M58-AL
最高支持1.75‘’靶面(miàn)相書器機
申請報價
産品參數
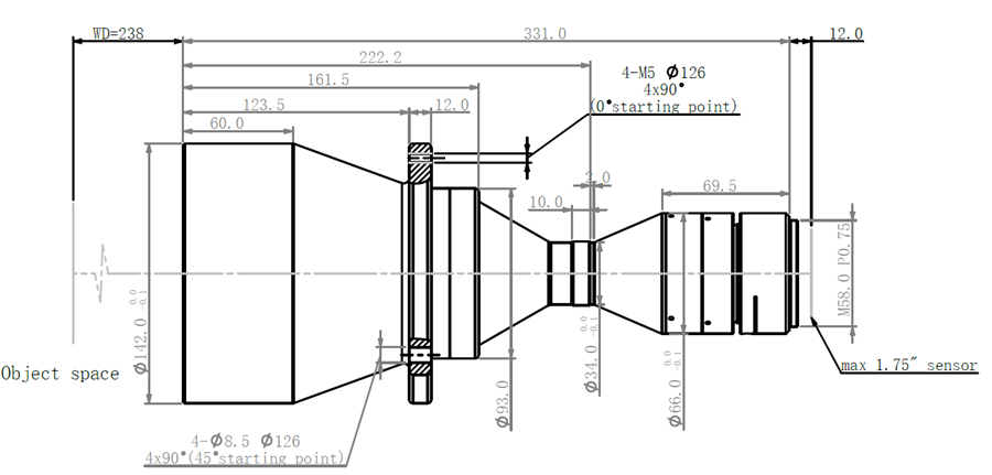
産品圖紙
相關應用
産品參數
data
基本參數
支持CCD尺寸(Φmm)
29(1.75")
物方視場FOV(Φmm)
100
放大倍率β(x)
0.29
物方工作距WD(mm)
238±4
像方F/#
6.8
物方景深DOF(mm)
±7.6@F16
像方畸變(% max)
<0.1
物方遠心度(° max)
<0.1
物像距I/O(mm)
581±4
鏡頭總長(cháng)(mm)
331.0
鏡頭接口
M58
淨重(KG)
3.6
像方MTF30(lp/mm)
>132
視野範圍(mmxmm)
1.75" CMV12000(22.53x16.90)
77.7x58.3
1.75" PYTHON日紙16k(18.43x18.43)
63.6x63.6
1.75" LineSca木吧n-4k(28.8mm)
99.3
産品圖紙
drawing

結構圖


相關應用
application