DTCM210-36-M58-AL
最高支持2‘’靶面(miàn)相機
申請報價
産品參數
産品圖紙
相關應用
産品參數
data
基本參數
支持CCD尺寸(Φmm)
33(2")
物方視場FOV(Φmm)
36
放大倍率β(x)
0.917
物方工作距WD(mm)
110±2
像方F/#
15.5
物方景深DOF(mm)
±0.9@F20
像方畸變(% max)
<0.1
物方遠心度(° max)
<0.1
物像距I/O(mm)
347±2
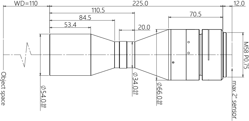
鏡頭總長(cháng)(mm)
225.0
鏡頭接口
M58
淨重(KG)
1.0
像方MTF30(lp/mm)
>50
視野範圍(mmxmm)
2" DALSA 12M(24.58x18.43亮好)
26.8x20.1
2" PYTHON 25K(2黃鐘3.04x23.04)
25.1x25.1
産品圖紙
drawing

結構圖




MTF曲線




相關應用
application