DTCM71M-136-M58草吧-AL
最高支持71Mp靶面(miàn)相機
申請報價
産品參數
産品圖紙
相關應用
産品參數
data
基本參數
支持CCD尺寸(Φmm)
39
物方視場FOV(Φmm)
136
放大倍率β(x)
0.287
物方工作距WD(mm)
288±5
像方F/#
7.1
物方景深DOF(mm)
±7.8@F16
像方畸變(% max)
<0.1
物方遠心度(° max)
<0.1
物像距I/O(mm)
758±5
鏡頭總長(cháng)(mm)
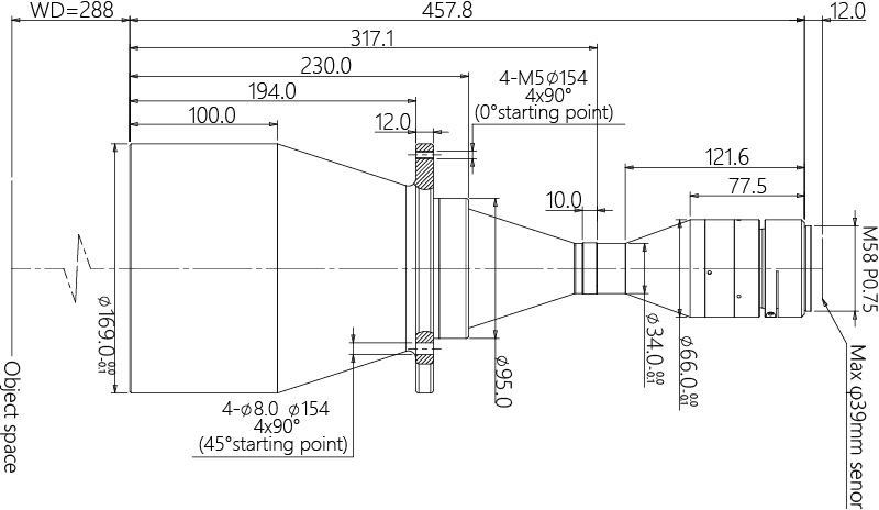
457.8
鏡頭接口
M58
淨重(KG)
4.8
像方MTF30(lp/mm)
>120
視野範圍(mmxmm)
CHR 70M (31.0x21.也站7)
108.0x75.6
産品圖紙
drawing

結構圖




MTF曲線



相關應用
application