DTCM71M-80H-M58-AL
最高支持71Mp靶面(miàn)相機
申請報價
産品參數
産品圖紙
相關應用
産品參數
data
基本參數
支持CCD尺寸(Φmm)
39
物方視場FOV(Φmm)
80
放大倍率β(x)
0.488
物方工作距WD(mm)
228±4
像方F/#
6.6
物方景深DOF(mm)
±2.7@F16
像方畸變(% max)
<0.1
物方遠心度(° max)
<0.1
物像距I/O(mm)
525±4
鏡頭總長(cháng)(mm)
285.2
鏡頭接口
M58
淨重(KG)
2.5
像方MTF30(lp/mm)
>130
視野範圍(mmxmm)
CHR 70M (31.0x2亮姐1.7)
63.5x44.5
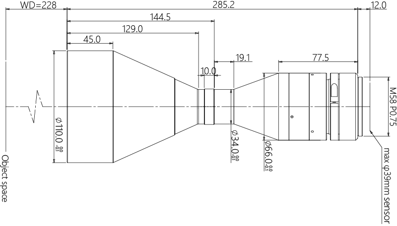
産品圖紙
drawing

結構圖




MTF曲線



相關應用
application