DTCM71M-64H-M58-AL
最高支持71Mp靶面(miàn)相機
申請報價
産品參數
産品圖紙
相關應用
産品參數
data
基本參數
支持CCD尺寸(Φmm)
39
物方視場FOV(Φmm)
64
放大倍率β(x)
0.609
物方工作距WD(mm)
158±3
像方F/#
11.5
物方景深DOF(mm)
±2.4@F22
像方畸變(% max)
<0.1
物方遠心度(° max)
<0.1
物像距I/O(mm)
445±3
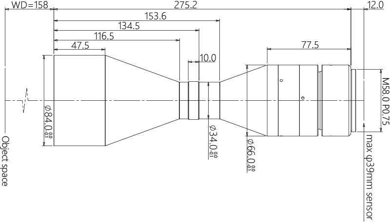
鏡頭總長(cháng)(mm)
275.2
鏡頭接口
M58
淨重(KG)
1.4
像方MTF30(lp/mm)
>70
視野範圍(mmxmm)
CHR 70M (31.0x21.7)
50.9x35.6
産品圖紙
drawing

結構圖




MTF曲線



相關應用
application