360°外壁檢測鏡頭
特色産品-360°外壁檢測鏡頭
申請報價
産品參數
産品圖紙
相關應用
産品參數
data
基本參數
支持CCD
2/3"
像圈(Φmm)
7.07
接口
C接口
工作波長(cháng)
450~650
檢測物體直徑
5~30
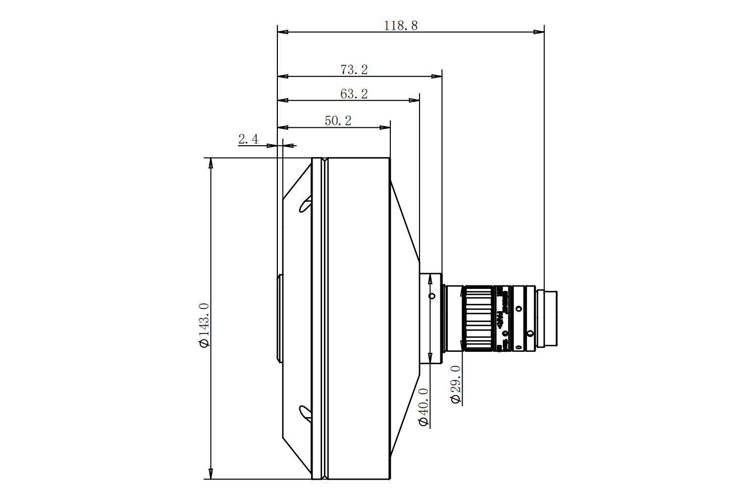
産品圖紙
drawing

結構圖

相關應用
application